Product Summary
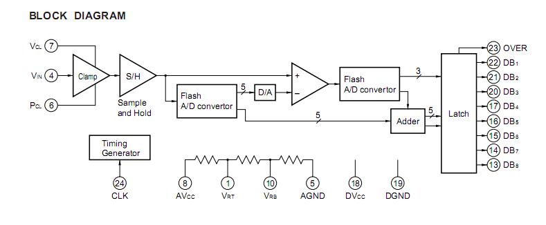
The UPC659AGS-E1 is an 8-bit A/D converter for video signal processing, the power consumption of which is lower than the UPC659AGS-E1. The high speed and high quality bipolar processing technology has enabled fast conversion rate and high resolution to be achieved. Conversion rate is up to 20 Msps (sampling per second) and linearity error within ±0.5 LSB while operating at low power consumption. Wide variety of application can be realized in digital application field such as digital TV system and high speed facsimile.
Parametrics
UPC659AGS-E1 absolute maximum ratings: (1)Supply voltage AVCC, DVCC: –0.3 to +6.0 V; (2)Digital input voltage VIND: –0.3 to DVCC + 0.3 V; (3)Analog input voltage VINA: –0.3 to AVCC + 0.3 V; (4)Reference input voltage VRT, VRB: –0.3 to AVCC + 0.3 V; (5)Clamp voltage VCL: –0.3 to AVCC + 0.3 V; (6)Clamp pulse input voltage VPCL: –0.3 to AVCC + 0.3 V; (7)Operating ambient temperature TA: –20 to +70℃; (8)Storage temperature Tstg: –40 to +150℃; (9)Power dissipation Pd: 560 mW.
Features
UPC659AGS-E1 features: (1)Resolution: 8-bit; (2)Conversion rate: 20 Msps; (3)Differential non-linearity: ±0.5 LSB MAX.; (4)Power supply: +5 V; (5)Analog input voltage: 1.0 Vp-p; (6)Power consumption: 215 mW TYP.; (7)Built-in circuit: Sample and hold circuit; (8)Clamp circuit (Clamp voltage and clamp pulse must be supplied.); (9)Reference voltage generator (VRB = 2.3 V, VRT = 3.3 V TYP.).
Diagrams

![]() |
![]() UPC667 |
![]() Other |
![]() |
![]() Data Sheet |
![]() Negotiable |
|
||||
(China (Mainland))








