Product Summary
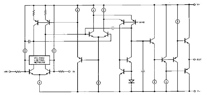
The OP400AY/883Q is a first monolithic quad operational amplifier that features OP77 type performance. Precision performance no longer has to be sacrificed to obtain the space and cost savings offered by quad amplifiers. The OP400AY/883Q features an extremely low input offset voltage of less than 150 mV with a drift of under 1.2 μV/℃, guaranteed over the full military temperature range. Open-loop gain of the device is over 5,000,000 into a 10 kW load, input bias current is under 3 nA, CMR is above 120 dB, and PSRR is below 1.8 mV/V. On-chip zener-zap trimming is used to achieve the low input offset voltage of it and eliminates the need for offset nulling. The OP400AY/883Q conforms to the industry-standard quad pinout which does not have null terminals.
Parametrics
OP400AY/883Q absolute maximum ratings: (1)Input offset voltage, VOS: 230μA Max; (2)Input offset current, VCM= 0V VOS: 2nA Max; (3)Input bias current, VCM= 0V, IB: 6nA Max; (4)Large signal voltage gain, VO= ±10 V RL = 10 kW AVO: 3000V/mV Min; Rig 2kΩ, AVO: 1500V/mV Min; (5)Input voltage range, IVR: ±12V Min; (6)Common mode rejection, VCM= ±12V CMR: 115dB Min; (7)Power supply rejection ratio, VS= ±3V to ±18V, PSRR: 3.2 μV/V Max; (8)Output voltage swing, RL= 10 kW, RL= 2 kW, VO: ±12V Min; (9)Supply current per amplifier, no load, ISY: 725μA Max.
Features
OP400AY/883Q features: (1)Low input offset voltage 150μV Max; (2)Low offset voltage drift, over –55℃ to +125℃ 1.2 pV/℃ Max; (3)Low supply current (Per Amplifier) 725μA Max; (4)High open-loop gain 5000 V/mV Min; (5)Input bias current 3 nA Max; (6)Low noise voltage density 11 nV/√ ̄Hz at 1 kHz; (7)Stable with large capacitive loads 10 nF Typ; (8)Pin compatible to LM148, HA4741, RM4156, and LT1014 with improved performance; (9)Available in die form.
Diagrams

![]() |
![]() OP400 |
![]() Other |
![]() |
![]() Data Sheet |
![]() Negotiable |
|
||||||
![]() |
![]() OP4004B |
![]() |
![]() IC VCSC OPT CLOCK 625MHZ 8-SMC |
![]() Data Sheet |
![]()
|
|
||||||
![]() |
![]() OP4005B |
![]() |
![]() IC VCSC OPT CLOCK 622.08MHZ 8SMC |
![]() Data Sheet |
![]()
|
|
||||||
![]() |
![]() OP4005B1 |
![]() |
![]() IC VCSC OPT CLK 622.08MHZ 8-SMCA |
![]() Data Sheet |
![]()
|
|
||||||
![]() |
![]() OP4006B |
![]() |
![]() IC VCSC OPT CLK 666.51MHZ 8-SMC |
![]() Data Sheet |
![]()
|
|
||||||
![]() |
![]() OP4006B1 |
![]() |
![]() IC VCSC OPT CLK 666.51MHZ 8-SMCA |
![]() Data Sheet |
![]()
|
|
||||||
(China (Mainland))








