Product Summary
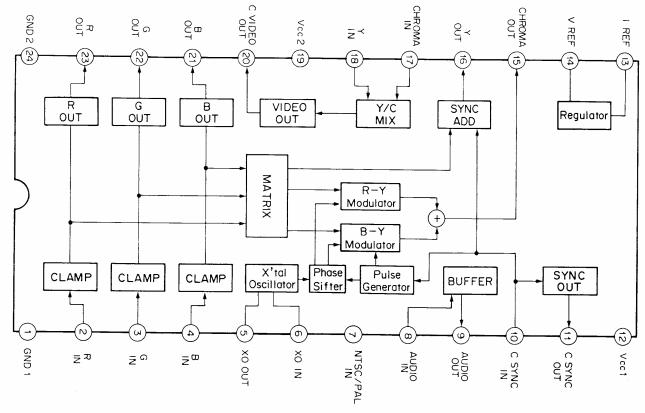
The cxa1145M encoder converts an analog RGB signal to a composite video signal. With its built-in circuit various pulses required for an encoder, composite video output are botained just bt inputting the composite sync and analog RGB signal.
Parametrics
cxa1145M absolute maximum ratings: (1)supply voltage:10V; (2)operating temperature:-20 to +75℃; (3)storage temperature:-55 to +150℃; (4)allowable power dissipation:780mW.
Features
cxa1145M features: (1)single power supply 6V; (2)low power consumption:110mW; (3)compatible both with NTSC and PAL systems; (4)built-in 75Ω driver; (5)built-in oscillator for suboarrier; (6)external input of subcarrier is also possible.
Diagrams

![]() |
![]() CXA10 |
![]() Other |
![]() |
![]() Data Sheet |
![]() Negotiable |
|
||||||||||||
![]() |
![]() CXA10-48D05 |
![]() Emerson / Astec Power |
![]() DC/DC Converters 10W 5V 1A |
![]() Data Sheet |
![]() Negotiable |
|
||||||||||||
![]() |
![]() CXA10-48D05J |
![]() Emerson / Astec Power |
![]() DC/DC Converters 10W 5V 1A |
![]() Data Sheet |
![]()
|
|
||||||||||||
![]() |
![]() CXA10-48D12 |
![]() Emerson / Astec Power |
![]() DC/DC Converters 10W 12V 0.41A |
![]() Data Sheet |
![]() Negotiable |
|
||||||||||||
![]() |
![]() CXA10-48D12J |
![]() Emerson / Astec Power |
![]() DC/DC Converters 10W 12V 0.41A |
![]() Data Sheet |
![]()
|
|
||||||||||||
![]() |
![]() CXA10-48D12-SJ |
![]() Emerson / Astec Power |
![]() DC/DC Converters 10W 36-75Vin Dual -/+12V -/+0.4A |
![]() Data Sheet |
![]()
|
|
||||||||||||
(China (Mainland))









