Product Summary
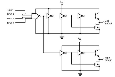
The MM88C30N is a dual differential line driver that also performs the dual four-input NAND or dual four-input AND function. The absence of a clamp diode to VCC in the input protection circuitry of the MM88C30N allows a CMOS user to interface systems operating at different voltage levels.
Parametrics
MM88C30N absolute maximum ratings: (1)Voltage at Any Pin:-0.3V to VCC a16V; (2)Operating Temperature Range:-40℃to a85℃; (3)Storage Temperature: -65℃to a150℃; (4)Power Dissipation (PD):500 mW; (5)Operating VCC Range: 3V to 15V; (6)Asolute Maximum VCC: 18V; (7)Average Current at Output:50 mA; (8)Maximum Junction Temperature, Tj:150℃; (9)Lead Temperature(Soldering, 10 seconds): 260℃.
Features
MM88C30N features: (1)Wide supply voltage range 3V to 15V; (2)High noise immunity 0.45 VCC (typ.); (3)Low output ON resistance 20X (typ.).
Diagrams

| Image | Part No | Mfg | Description | ![]() |
Pricing (USD) |
Quantity | ||||
|---|---|---|---|---|---|---|---|---|---|---|
![]() |
![]() MM88C30N |
![]() |
![]() IC INVERTER DUAL 4-INPUT 14DIP |
![]() Data Sheet |
![]() Negotiable |
|
||||
![]() |
![]() MM88C30N_Q |
![]() Fairchild Semiconductor |
![]() Buffers & Line Drivers Quad Diff Line Drv |
![]() Data Sheet |
![]() Negotiable |
|
||||
(China (Mainland))










