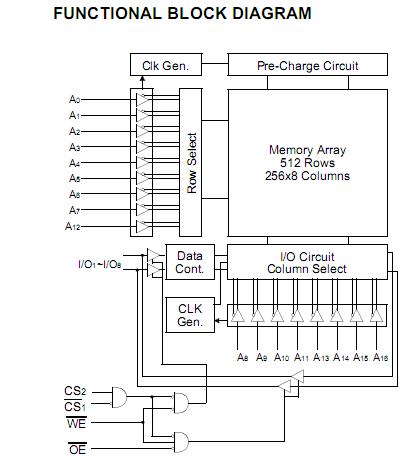
Product Summary
The KM681001AJ-20 is a 1,048,576-bit high-speed Static Random Access Memory organized as 131,072 words by 8 bits. The KM681001AJ-20 uses 8 common input and output lines and has an output enable pin which operates faster than address access time at read cycle. The KM681001AJ-20 is fabricated using Samsung’s advanced CMOS process and designed for high-speed circuit technology. It is particularly well suited for use in high-density high-speed system applications.
Parametrics
KM681001AJ-20 absolute maximum ratings: (1)Voltage on Any Pin Relative to VSS:-0.5 to 7.0 V; (2)Voltage on VCC Supply Relative to VSS:-0.5 to 7.0 V; (3)Power Dissipation:1.0 W; (4)Storage Temperature:-65 to 150 °C; (5)Operating Temperature:0 to 70 °C.
Features
KM681001AJ-20 features: (1)Fast Access Time 15, 20ns(Max.); (2)Low Power Dissipation ; (3)Standby (TTL): 25mA(Max.),(CMOS): 8mA(Max.); (4)Operating: 120mA(Max.); (5)Single 5.0V ±10% Power Supply; (6)TTL Compatible Inputs and Outputs; (7)I/O Compatible with 3.3V Device; (8)Fully Static Operation-No Clock or Refresh required ; (9)Three State Outputs; (10)Standard Pin Configuration: 32-SOJ-400.
Diagrams

![]() |
![]() KM68LC302CAF16CT |
![]() Freescale Semiconductor |
![]() Microprocessors (MPU) 68K INTGR COM PROC DMA |
![]() Data Sheet |
![]() Negotiable |
|
||||
![]() |
![]() KM681002CL |
![]() Other |
![]() |
![]() Data Sheet |
![]() Negotiable |
|
||||
![]() |
![]() KM681002CLI |
![]() Other |
![]() |
![]() Data Sheet |
![]() Negotiable |
|
||||
![]() |
![]() KM684000LI |
![]() Other |
![]() |
![]() Data Sheet |
![]() Negotiable |
|
||||
![]() |
![]() KM684002 |
![]() Other |
![]() |
![]() Data Sheet |
![]() Negotiable |
|
||||
![]() |
![]() KM684002E |
![]() Other |
![]() |
![]() Data Sheet |
![]() Negotiable |
|
||||
(China (Mainland))









