Product Summary
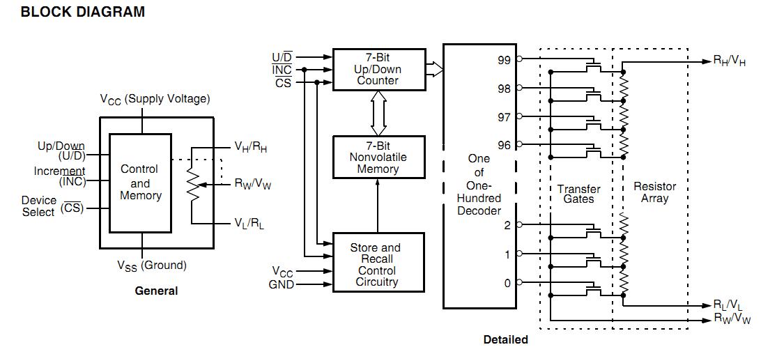
The X9C103S is a digitally controlled (XDCP) potentiometer. The device consists of a resistor array, wiper switches, a control section, and nonvolatile memory. The wiper position is controlled by a three-wire interface. The X9C103S can be used as a three-terminal potentiometer or as a two-terminal variable resistor in a wide variety of applications including: control, parameter adjustments and signal processing.
Parametrics
X9C103S absolute maximum ratings: (1)Temperature under bias: -65 to +135℃; (2)Storage temperature: -65 to +150℃; (3)Voltage on CS, INC, U/D and VCC with respect to VSS: -1V to +7V; (4)Voltage on VH/RH and VL/RL referenced to VSS: -8V to +8V; (5)ΔV = |VH/RH - VL/RL|: 10V; (6)Lead temperature (soldering, 10 seconds): +300℃; (7)IW (10 seconds): 8.8mA; (8)Power rating: 10mW.
Features
X9C103S features: (1)Solid-state potentiometer; (2)3-wire serial interface; (3)100 wiper tap points: Wiper position stored in nonvolatile memory and recalled on power-up; (4)99 resistive elements: Temperature compensated; End to end resistance, ±20%; Terminal voltages, ±5V; (5)Low power CMOS: VCC = 5V; Active current, 3mA max; Standby current, 750μA max.; (6)High reliability: Endurance, 100,000 data changes per bit; Register data retention, 100 years; (7)X9C103 = 10kΩ; (8)Packages: 8 Ld SOIC and 8 Ld PDIP; (9)Pb-free plus anneal available (RoHS compliant).
Diagrams

| Image | Part No | Mfg | Description | ![]() |
Pricing (USD) |
Quantity | ||||||||||||
|---|---|---|---|---|---|---|---|---|---|---|---|---|---|---|---|---|---|---|
![]() |
![]() X9C103S |
![]() |
![]() IC DIGITAL POT 10K 100TP 8SOIC |
![]() Data Sheet |
![]() Negotiable |
|
||||||||||||
![]() |
![]() X9C103SI |
![]() |
![]() IC DIGITAL POT 10K 100TP 8SOIC |
![]() Data Sheet |
![]() Negotiable |
|
||||||||||||
![]() |
![]() X9C103SIZ |
![]() Intersil |
![]() Digital Potentiometer ICs 10K EEPOTTM POT CMOS 8LD IND |
![]() Data Sheet |
![]()
|
|
||||||||||||
![]() |
![]() X9C103SIZT1 |
![]() |
![]() IC POT DGTL CONTROL 10KOHM 8SOIC |
![]() Data Sheet |
![]()
|
|
||||||||||||
![]() |
![]() X9C103SIT1 |
![]() |
![]() IC XDCP 100-TAP 10K EE 8-SOIC |
![]() Data Sheet |
![]() Negotiable |
|
||||||||||||
![]() |
![]() X9C103SIT2 |
![]() |
![]() IC XDCP 100-TAP 10K EE 8-SOIC |
![]() Data Sheet |
![]() Negotiable |
|
||||||||||||
![]() |
![]() X9C103SZ |
![]() Intersil |
![]() Digital Potentiometer ICs 10K EEPOTTM POT CMOS 8LD COM |
![]() Data Sheet |
![]()
|
|
||||||||||||
![]() |
![]() X9C103SZT2 |
![]() |
![]() IC XDCP 100-TAP 10K EE 8-SOIC |
![]() Data Sheet |
![]()
|
|
||||||||||||
(China (Mainland))









